Documents

"L" block

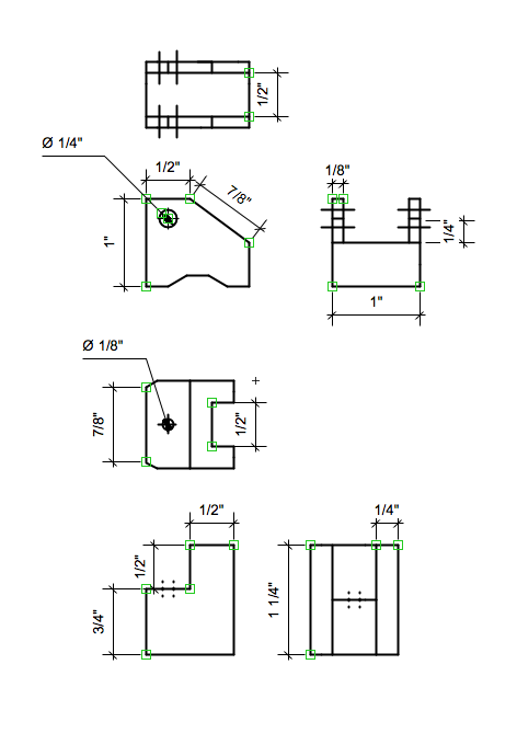
"Stair" block

"T" block

"Shear" block

"Tea candle holder" block

"Slide" block

"Chair" block

Return to Homepage